Volver a todos los proyectos
Jujuy, Argentina

Galpones Metálicos

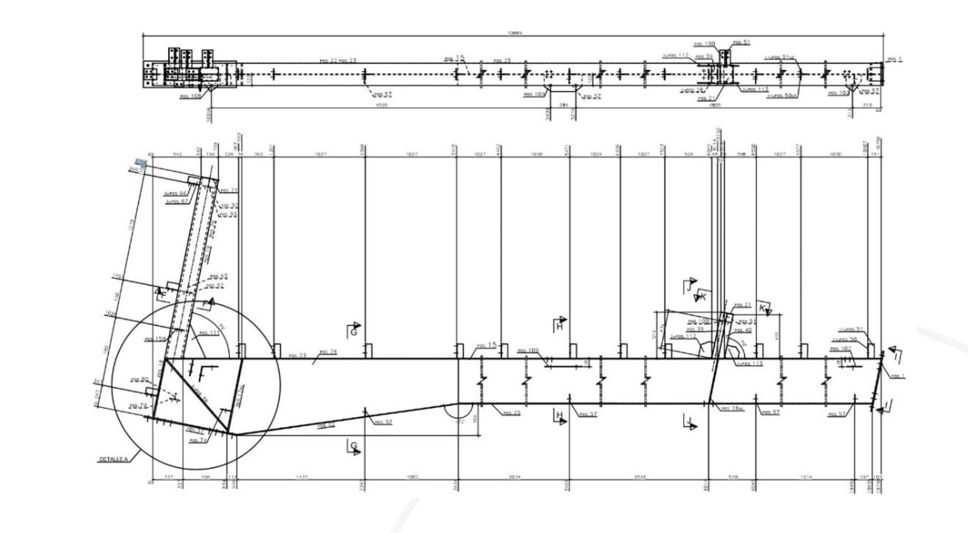
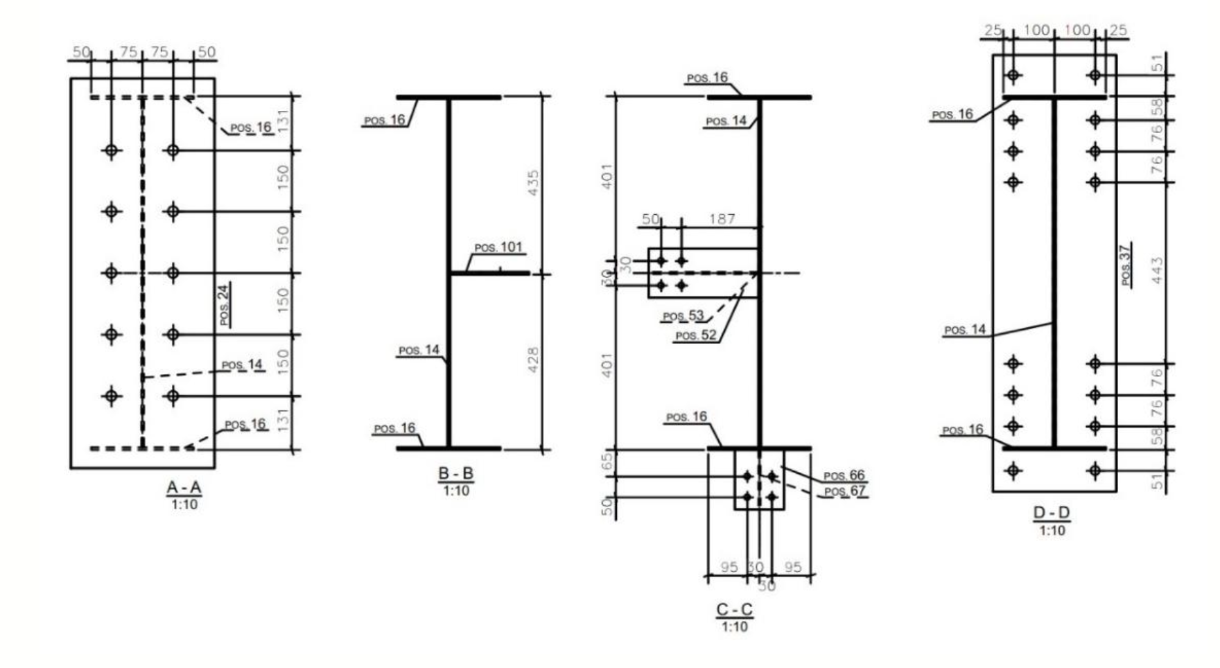
Diseño, cálculo estructural e ingeniería de taller en Tekla Structures de 5 galpones de 20m × 40m × 7,5m ubicados en la provincia de Jujuy, Argentina.

Datos Técnicos

  • 5 galpones metálicos
  • Dimensiones: 20 m × 40 m × 7,5 m c/u
  • Diseño, cálculo estructural e ingeniería de taller
  • Software: Tekla Structures
  • Ubicación: provincia de Jujuy, Argentina

¿Listo para tu próximo proyecto?

Estamos aquí para ayudarte a transformar tus ideas en realidad. Contactanos y comencemos a trabajar juntos.

Teléfono

+549 381 6585 197

Email

cv.conectaing@gmail.com