Volver a todos los proyectos
Edificios Residenciales
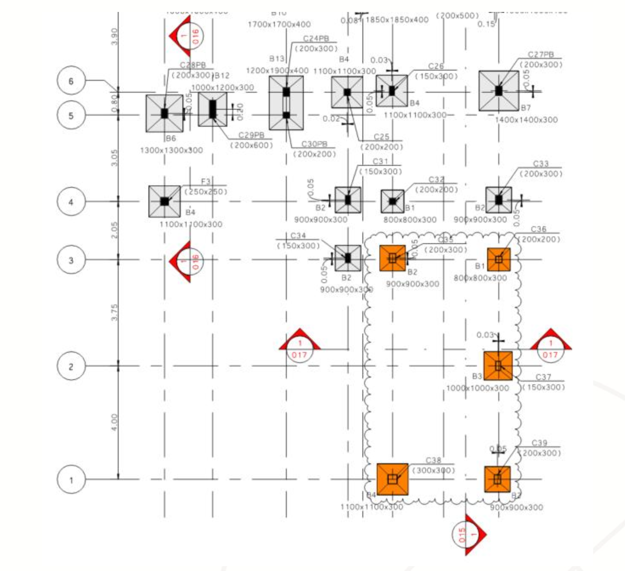
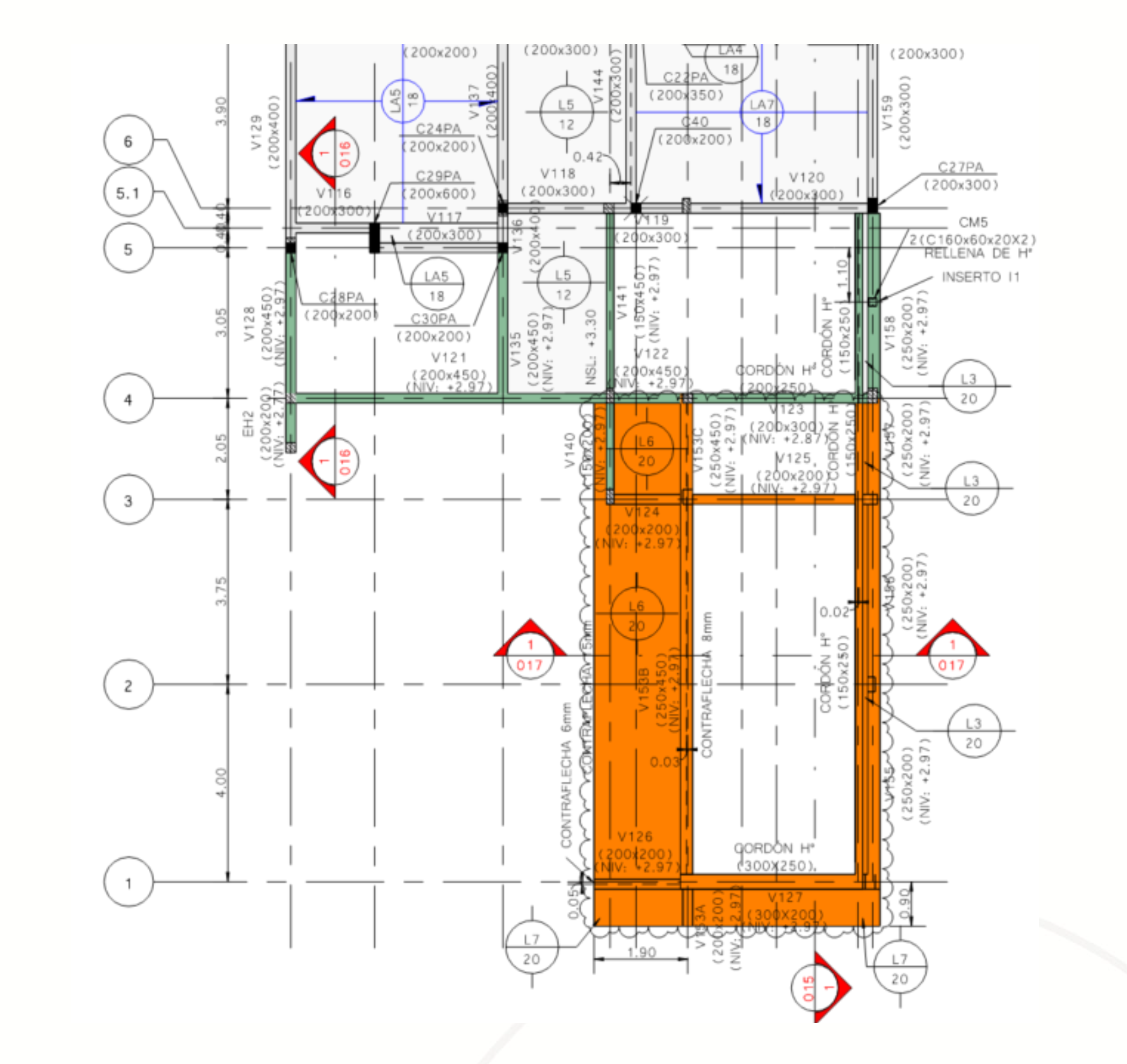
Desarrollo de múltiples proyectos de ingeniería de detalle para edificios residenciales ubicados en la provincia de Tucumán, Argentina.
Imágenes del Proyecto
Contactanos Email
¿Listo para tu próximo proyecto?
Estamos aquí para ayudarte a transformar tus ideas en realidad. Contactanos y comencemos a trabajar juntos.
Teléfono
+549 381 6585 197
cv.conectaing@gmail.com